Fondo del colletto

Information

Produttori

Fondo del colletto

Base bombata in acciaio inox, saldabile forata per silenziatore, diametro esterno 168,3mm, spessore 2mm

356272-1682

Nuovo prodotto

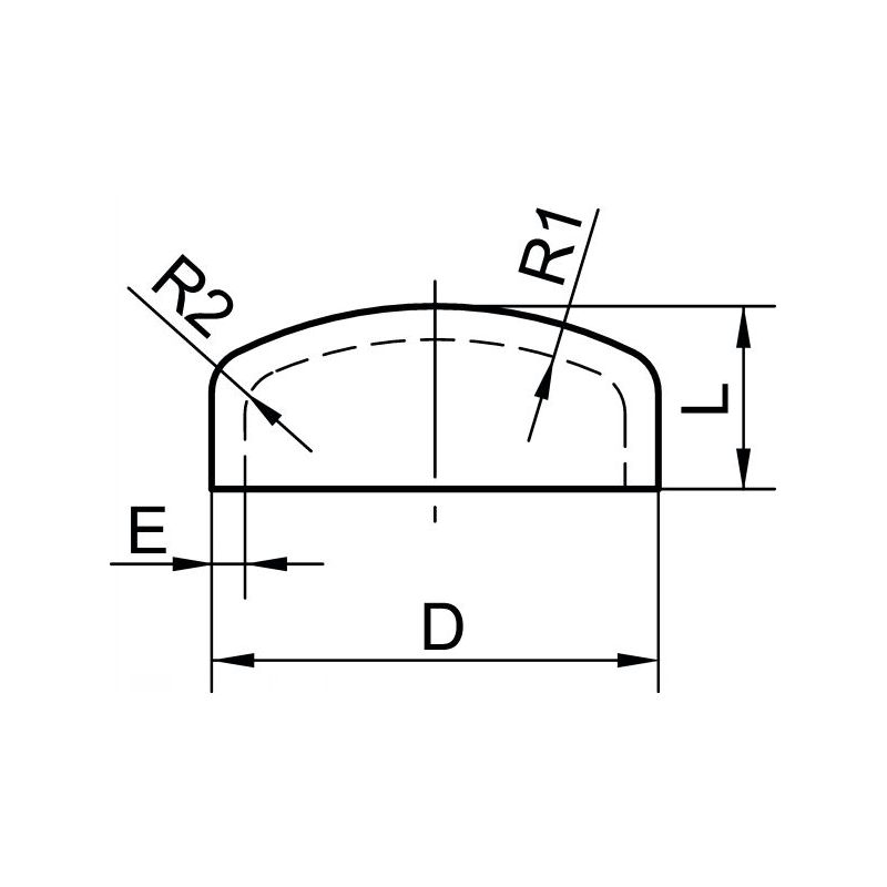
Fondo arrotondato in acciaio inox da saldare forare per silenziatore

 

Caratteristiche:

  • Materiale: acciaio inox 304L
  • Diametro esterno (D): 168,3 mm
  • Spessore (E): 2 mm
  • Altezza (L): 42 mm
  • Raggio (R1): 168 mm
  • Raggio (R2): 16,8 mm
  • Peso: 0,55 kg

Foto generica

Maggiori dettagli

20,69 € tasse incl.

-10%

22,99 € tasse incl.

DISPONIBILE

Stock NSB France : 1 Articolo

  • Base bombata in acciaio inox per silenziatore saldato, diametro 139,7 mm

I clienti che hanno acquistato questo prodotto hanno anche comprato ...