Fondo del colletto

Information

Produttori

Fondo del colletto

Base bombata in acciaio inox, saldabile forata per silenziatore, diametro esterno 101,6mm, spessore 2mm

356272-1012

Nuovo prodotto

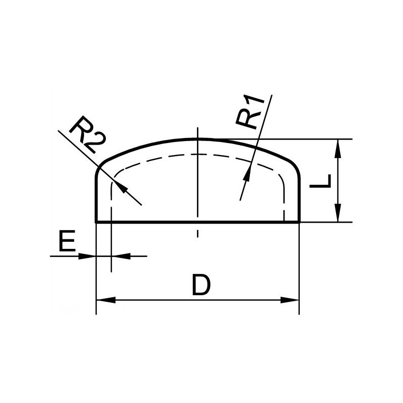
Base a cupola in acciaio inossidabile a saldare forare per silenziatore

 

Specifiche:

  • Materiale: acciaio inossidabile 304L
  • Diametro esterno (D): 101,6 mm
  • Spessore (E): 2 mm
  • Altezza (L): 28 mm
  • Raggio (R1): 102 mm
  • Raggio (R2): 10,2 mm
  • Peso: 0,20 kg

Foto generica

Maggiori dettagli

9,71 € tasse incl.

-10%

10,79 € tasse incl.

DISPONIBILE

Stock NSB France : 2 Articoli

  • Base bombata in acciaio inox per silenziatore saldato, diametro 101,6 mm

I clienti che hanno acquistato questo prodotto hanno anche comprato ...